Włączenie dynama rowerowego kluczowe kroki dla każdego typu
- Dynamo butelkowe wymaga manualnego dociśnięcia rolki do opony za pomocą dźwigni lub mechanizmu.
- Dynamo w piaście aktywuje się automatycznie wraz z ruchem koła i zazwyczaj nie wymaga interwencji użytkownika, poza ewentualnym włączeniem lampki.
- Najczęstsze problemy z brakiem światła to uszkodzone przewody, przepalona żarówka lub ślizgająca się rolka dynama butelkowego.
- Nowoczesne dynama oferują funkcje takie jak światło postojowe czy możliwość ładowania urządzeń USB.
- Regularna konserwacja (czyszczenie, kontrola styków) przedłuża żywotność dynama i zapewnia niezawodne oświetlenie.
Zanim zaczniesz: szybko rozpoznaj typ swojego dynama
Zanim przejdziemy do konkretnych instrukcji, musisz wiedzieć, z jakim typem dynama masz do czynienia. To kluczowe, ponieważ sposób aktywacji różni się znacząco w zależności od konstrukcji. Rozpoznanie jest na szczęście bardzo proste i zajmie Ci tylko chwilę.Wyróżniamy dwa główne typy: klasyczne dynamo butelkowe oraz nowoczesne dynamo w piaście. Ich wygląd i umiejscowienie są na tyle charakterystyczne, że bez problemu je odróżnisz.
Klasyczne dynamo butelkowe: czy widzisz rolkę przy oponie?
Klasyczne dynamo butelkowe, często nazywane bocznym lub rolkowym, jest łatwe do rozpoznania. Zazwyczaj jest ono zamontowane przy widelcu przedniego koła lub przy tylnym trójkącie ramy. Jego najbardziej charakterystycznym elementem jest widoczna rolka, która styka się z boczną powierzchnią opony. Kiedy rolka jest dociśnięta do opony, obracające się koło wprawia ją w ruch, a ona z kolei generuje prąd.
Nowoczesne dynamo w piaście: dyskretna siła w centrum koła
Dynamo w piaście to znacznie bardziej dyskretne i zintegrowane rozwiązanie. Jak sama nazwa wskazuje, jest ono integralną częścią piasty koła najczęściej przedniego, choć zdarzają się też w tylnych. Nie zobaczysz tutaj żadnych zewnętrznych ruchomych elementów ani rolki stykającej się z oponą. Cały mechanizm jest schowany w obudowie piasty, co sprawia, że jest praktycznie bezobsługowe i niewidoczne na pierwszy rzut oka.
Jak włączyć dynamo butelkowe? Prosta instrukcja krok po kroku
Włączenie klasycznego dynama butelkowego to czynność manualna, która wymaga kilku prostych ruchów. Pamiętaj, że prawidłowe dociśnięcie rolki do opony jest kluczowe dla efektywnego generowania prądu. Oto, jak to zrobić:
- Zlokalizuj dźwignię lub mechanizm dociskowy: Większość dynam butelkowych posiada małą dźwignię lub przełącznik. Znajdziesz go zazwyczaj na obudowie dynama. Służy on do przesunięcia całego mechanizmu tak, aby rolka dotknęła opony.
- Prawidłowe dociśnięcie rolki do opony: Przesuń dźwignię lub mechanizm w taki sposób, aby rolka dynama została mocno dociśnięta do bocznej powierzchni opony. Powinieneś poczuć wyraźny opór. Upewnij się, że rolka nie jest luźna i nie ma ryzyka, że odskoczy podczas jazdy. Dobry styk to podstawa!
- Sprawdź, czy rolka obraca się swobodnie: Po dociśnięciu rolki, delikatnie obróć koło. Rolka powinna obracać się razem z oponą, bez poślizgu. Jeśli tak jest, dynamo jest aktywne i gotowe do generowania prądu.
- Rusz w drogę i sprawdź efekt: Kiedy ruszysz rowerem, światło powinno zapalić się niemal natychmiast. Pamiętaj, że do uzyskania stabilnego i jasnego światła zazwyczaj potrzebna jest minimalna prędkość, często w przedziale 15-25 km/h. Przy bardzo wolnej jeździe światło może migotać lub być słabe.
Krok 1: Zlokalizuj dźwignię lub mechanizm dociskowy
Na obudowie dynama butelkowego, zazwyczaj z boku lub od góry, znajduje się niewielka dźwignia, przycisk lub element, który należy przesunąć. To właśnie on odpowiada za aktywację. Twoim zadaniem jest delikatne, ale zdecydowane przesunięcie go w odpowiednim kierunku, aby rolka dynama zbliżyła się do opony i została do niej dociśnięta. W niektórych modelach może to być po prostu mechanizm sprężynowy, który wymaga ręcznego przestawienia całej obudowy.
Krok 2: Prawidłowe dociśnięcie rolki do opony: jak to zrobić dobrze?
Kiedy już zlokalizujesz mechanizm, upewnij się, że rolka dynama jest solidnie i równomiernie dociśnięta do bocznej powierzchni opony. Nie może być zbyt luźna, bo będzie się ślizgać, ani zbyt mocno, co mogłoby zwiększyć opór i zużycie opony. Celuj w taki docisk, aby rolka obracała się swobodnie wraz z oponą, ale jednocześnie stawiała wystarczający opór, by generować prąd. Poślizg rolki, zwłaszcza w deszczu, to jedna z najczęstszych przyczyn braku światła.
Krok 3: Rusz w drogę i sprawdź efekt: kiedy światło powinno się zapalić?
Po aktywacji dynama i upewnieniu się, że rolka styka się z oponą, wystarczy ruszyć rowerem. Światło powinno zapalić się niemal natychmiast, gdy tylko koło zacznie się obracać. Pamiętaj, że optymalna prędkość dla uzyskania stabilnego i jasnego światła to zazwyczaj około 15-25 km/h. Przy niższych prędkościach światło może być słabsze lub migotać, co jest całkowicie normalne dla tego typu dynama.
Dynamo w piaście: czy potrzebujesz coś robić, aby je aktywować?
W przypadku dynama w piaście odpowiedź jest prosta: nie, nie musisz nic robić, aby je aktywować. To jedna z jego największych zalet! Dynamo w piaście działa w pełni automatycznie i jest praktycznie bezobsługowe, jeśli chodzi o sam proces generowania prądu. Wystarczy, że zaczniesz pedałować, a ono już pracuje.
Magia automatyzacji: jak dynamo w piaście aktywuje się samo?
Dynamo w piaście to przykład inżynierii, która stawia na wygodę. Zaczyna ono generować prąd automatycznie, gdy tylko koło, w którym jest zamontowane, zaczyna się obracać. Nie ma tu żadnych dźwigni, rolek ani mechanizmów do przestawiania. Wewnętrzny mechanizm, oparty na indukcji elektromagnetycznej, po prostu przekształca energię ruchu obrotowego koła w energię elektryczną. To sprawia, że jest niezwykle niezawodne i zawsze gotowe do działania.
Rola przełącznika na lampce: kiedy go używać?
Skoro dynamo w piaście samo generuje prąd, to jak włączyć światło? Tutaj kluczową rolę odgrywa przełącznik znajdujący się bezpośrednio na lampce (przedniej lub tylnej). To on służy do włączania i wyłączania oświetlenia. Wiele nowoczesnych lampek zasilanych dynamem w piaście ma także czujniki zmierzchu, które automatycznie włączają światło, gdy robi się ciemno, co jeszcze bardziej zwiększa komfort użytkowania.

Światło się nie pali? Najczęstsze problemy i błyskawiczne rozwiązania
Zdarza się, że mimo podjęcia próby włączenia dynama, światło się nie zapala. Nie panikuj! W większości przypadków problem jest prosty do zdiagnozowania i naprawienia. Jako Fryderyk Walczak, widziałem wiele takich sytuacji i wiem, że często to drobnostki, które można szybko rozwiązać. Oto najczęstsze przyczyny braku światła i sposoby, jak sobie z nimi poradzić.
Problem: Dynamo butelkowe ślizga się po oponie
To bardzo częsty problem, szczególnie w deszczowe dni lub na zabrudzonych drogach. Przyczyny mogą być różne: mokra lub błotnista opona, zużyta i śliska rolka dynama, niewystarczający docisk rolki. Rozwiązania:
- Wyczyść oponę i rolkę: Upewnij się, że boczna powierzchnia opony i rolka dynama są czyste i suche.
- Wyreguluj docisk: Sprawdź, czy mechanizm dynama dociska rolkę wystarczająco mocno do opony. W razie potrzeby wyreguluj go.
- Wymień rolkę: Jeśli rolka jest zużyta i śliska, jej wymiana na nową, o lepszej przyczepności, może rozwiązać problem.
Problem: Luźne lub uszkodzone przewody: jak je sprawdzić?
Przewody łączące dynamo z lampkami są narażone na uszkodzenia mechaniczne i warunki atmosferyczne. Często to właśnie one są winowajcą. Lista kontrolna:
- Wizualna inspekcja: Dokładnie obejrzyj całą długość przewodów od dynama do lampki przedniej i tylnej. Szukaj przetarć, pęknięć izolacji, przecięć.
- Sprawdź połączenia: Upewnij się, że wszystkie przewody są mocno osadzone w gniazdach dynama i lampek. Poluzowane styki to bardzo częsta przyczyna.
- Korozja: Zwróć uwagę na wszelkie ślady korozji na stykach. Możesz spróbować je delikatnie oczyścić drobnym papierem ściernym lub specjalnym preparatem do styków elektrycznych.
- Popraw połączenia: Jeśli znajdziesz luźne przewody, dociśnij je lub, jeśli to możliwe, przylutuj. W przypadku uszkodzeń izolacji, zabezpiecz je taśmą izolacyjną lub wymień cały odcinek przewodu.
Problem: Przepalona żarówka czy awaria dynama? Prosty test do wykonania w domu
Zanim zaczniesz podejrzewać poważną awarię dynama, sprawdź najprostszą rzecz żarówkę lub diodę LED w lampce. Instrukcja testu:
- Sprawdź żarówkę: Jeśli masz lampkę z wymienną żarówką, wyjmij ją i sprawdź, czy włókno nie jest przepalone. Jeśli masz zapasową, wymień ją i sprawdź, czy to rozwiązało problem. W przypadku lampek LED, problem z diodą jest rzadszy, ale możliwy.
- Test z inną lampką: Jeśli masz inną lampkę rowerową (nawet na baterie), spróbuj podłączyć ją do wyjścia dynama, aby sprawdzić, czy samo dynamo generuje prąd.
- Użyj multimetru: Jeśli masz multimetr, to świetnie! Ustaw go na pomiar napięcia zmiennego (AC) i przyłóż sondy do wyjść dynama. Kręć kołem powinieneś zobaczyć napięcie w okolicach 6V. Jeśli napięcia nie ma, problem leży w samym dynamie. Jeśli napięcie jest, a lampka nie świeci, to z pewnością wina lampki lub przewodów.
Jak dbać o dynamo, by służyło bezawaryjnie
Regularna konserwacja to klucz do długiej i bezawaryjnej pracy każdego elementu roweru, a dynamo nie jest wyjątkiem. Dbanie o nie zapewni Ci niezawodne oświetlenie w każdych warunkach, co jest niezwykle ważne dla Twojego bezpieczeństwa na drodze.
Konserwacja dynama butelkowego: czyszczenie rolki i regulacja docisku
Dynamo butelkowe wymaga nieco więcej uwagi niż jego odpowiednik w piaście, głównie ze względu na jego zewnętrzną konstrukcję i bezpośredni kontakt z oponą.
- Regularne czyszczenie: Po każdej jeździe w trudnych warunkach (deszcz, błoto) dokładnie wyczyść rolkę dynama oraz boczną powierzchnię opony w miejscu styku. Brud i wilgoć to główni wrogowie dobrej przyczepności.
- Kontrola docisku: Okresowo sprawdzaj, czy rolka dynama jest prawidłowo dociśnięta do opony. Jeśli zauważysz, że światło migocze lub jest słabe, spróbuj delikatnie wyregulować docisk.
- Sprawdzenie przewodów: Regularnie kontroluj stan przewodów i połączeń, tak jak opisałem to wcześniej.
Konserwacja dynama w piaście: czy wymaga specjalnej troski?
Jedną z największych zalet dynama w piaście jest jego praktycznie bezobsługowy charakter. Ponieważ jest ono hermetycznie zamknięte w obudowie piasty, jest chronione przed brudem, wodą i uszkodzeniami mechanicznymi. Nie wymaga żadnych specjalnych czynności konserwacyjnych ze strony użytkownika, poza standardowym dbaniem o koło i jego piastę (np. regularnym serwisem łożysk, jeśli piasta nie jest na łożyskach maszynowych). To naprawdę rozwiązanie typu "zamontuj i zapomnij".
Przeczytaj również: Ile kosztuje pompka do roweru? Wybierz mądrze i nie przepłacaj!
Czy wiesz, że Twoje dynamo potrafi więcej? Nowoczesne funkcje
Współczesne dynama, zwłaszcza te w piaście, to już nie tylko proste generatory prądu do lampek. Dzięki postępowi technologicznemu oferują one szereg inteligentnych funkcji, które znacząco podnoszą komfort i bezpieczeństwo jazdy. Jako Fryderyk Walczak, zawsze zachęcam do korzystania z tych udogodnień.
Dynamo w piaście jest znacznie wydajniejsze i generuje mniejszy opór toczenia niż modele butelkowe. Jest też cichsze i bardziej odporne na warunki atmosferyczne.
Światło postojowe: jak działa i dlaczego zwiększa Twoje bezpieczeństwo?
Funkcja światła postojowego to prawdziwy game changer dla bezpieczeństwa rowerzysty. Dzięki wbudowanemu w lampkę kondensatorowi, który magazynuje niewielką ilość energii, lampka świeci jeszcze przez kilka minut po zatrzymaniu roweru. To niezwykle ważne, gdy stoisz na skrzyżowaniu, czekasz na zielone światło lub po prostu zatrzymujesz się na poboczu. Dzięki światłu postojowemu pozostajesz widoczny dla innych uczestników ruchu, co znacząco zmniejsza ryzyko kolizji. To mała rzecz, która robi wielką różnicę.
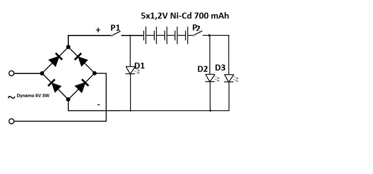
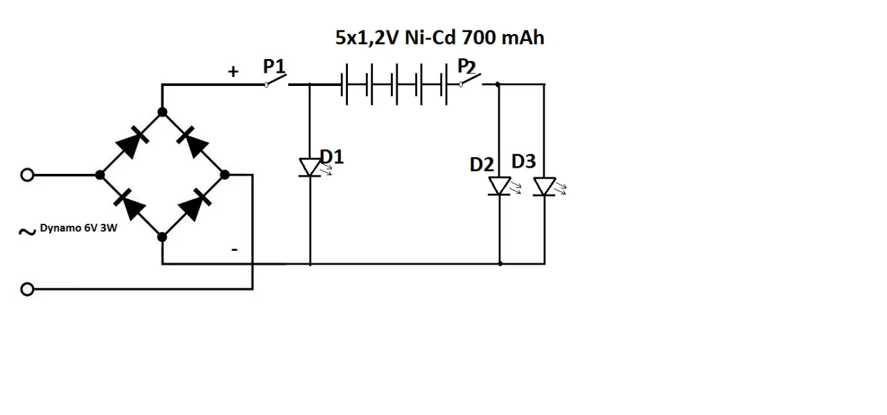
Ładowanie telefonu z dynama: czy to możliwe w każdym rowerze?
Tak, to możliwe i staje się coraz bardziej popularne, zwłaszcza wśród miłośników długich wypraw rowerowych i bikepackingu! Chociaż samo dynamo generuje prąd zmienny (AC) o napięciu 6V, istnieją specjalne przetwornice, które przekształcają ten prąd na stabilne napięcie stałe (DC) o wartości 5V, z wyjściem USB. Dzięki temu możesz podłączyć do roweru swój telefon, nawigację GPS, powerbank czy inne urządzenia mobilne i ładować je podczas jazdy. To genialne rozwiązanie, które uniezależnia Cię od gniazdek elektrycznych i pozwala na dłuższe eksplorowanie bez obaw o rozładowaną baterię.
